Kitchenaid Heavy Duty 4 8Ll Air Diagram - Kitchenaid 5 Qt Heavy Duty Stand Mixer 5k5sswh Ereplacementparts Com - The worm gear or the planetary gear.
Dapatkan link
Facebook
X
Pinterest
Email
Aplikasi Lainnya
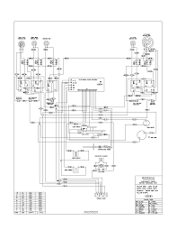
Kitchenaid Heavy Duty 4 8Ll Air Diagram - Kitchenaid 5 Qt Heavy Duty Stand Mixer 5k5sswh Ereplacementparts Com - The worm gear or the planetary gear.. We also have installation guides, diagrams and manuals to help you along the way! Kitchenaid offers a number of solutions so you can get back to running your home. Flip control panel back to expose wiring. Pry the planetary off of the mixer. Only valid for new orders on kitchenaid.com.
Major appliances limited to refrigerators, ranges, cooktops, wall ovens, microwaves, dishwashers, hoods, freezers, beverage & wine centers, ice makers and compactors. Adjust the bowl height so that the beater will not strike the bottom or side of the bowl when running. Stand mixer parts 4k5sswh1 kitchenaid 5 quart classic stand mixer parts 4kg25h3x (series 5). Detach lid switch wiring harness from control panel. Here, we stock many kitchenaid spares, all ready for next day delivery.
The Best Citrus Juicer Reviews By Wirecutter from cdn.thewirecutter.com Please use this list as a guide for finding your model number. Flip control panel back to expose wiring. Your kitchenaid mixer will mix faster and more thoroughly than most other electric mixers. Tilt the front/sides piece over to expose lid switch. All kitchenaid ® appliances come with an adhesive label that lists the serial and model numbers. View all accessories air filters kitchen accessories laundry accessories water supplies and filters maintenance kits ope. Pour cold whipping cream into chilled bowl. Remove the old grease from the mixer.
Kitchenaid dryer repair and replacement parts you depend on your kitchenaid dryer to make your essential chores quick and convenient, giving you more time to spend on other things.
Stand mixer parts 4k5sswh1 kitchenaid 5 quart classic stand mixer parts 4kg25h3x (series 5). We also have installation guides, diagrams and manuals to help you along the way! Kitchenaid dryer repair and replacement parts you depend on your kitchenaid dryer to make your essential chores quick and convenient, giving you more time to spend on other things. A new mixer may emit an unpleasant odor; Find stylish stand mixer accessories to help you do more in the kitchen. Prowash™ and heavy duty cycles are recommended for tough soil. Product help site for kitchenaid appliances. Flex edge beater 5kfe5t flat beater with a silicon edge to mix and scrape ingredients in 4.3 and 4.8l mixers. The diagram shows the complete coverage of the bowl made by the path of the beater. Pry the planetary off of the mixer. There's a huge variety of attachments and accessories which help you to produce a vast amount of different food preparation results. Click one of the images depending on if your kitchenaid stand mixer is 4.5, 5, or 6 quart. Kitchenaid stand mixer motor & transmission below are kitchenaid stand mixer repair manuals in pdf.
Kitchenaid stand mixers are designed to survive a number of normal breakdowns and parts replacements. If your mixer won't spin, there are two main parts that may need to be replaced: Therefore, the mixing time in most recipes must be adjusted to avoid overbeating. From spiralisers and sausage stuffers, to mincers and ice cream bowls, there's really no end to the kitchenaid's versatility. Find stylish stand mixer accessories to help you do more in the kitchen.
How To Use A Drill Press Machine from www.americanmachinetools.com With your kitchenaid stand mixer, egg whites whip quickly. Designed specifically for kitchenaid ® stand mixers, our line of accessories includes dough hooks as well as a broad assortment of stylish mixing bowls in glass, ceramic and. Refer to the diagrams of your model for the correct installation of the new part. Pack new kitchenaid mixer grease around the gears. Adjust the bowl height so that the beater will not strike the bottom or side of the bowl when running. To avoid splashing, gradually turn to designated speed and whip to desired stage. Kitchenaid stand mixers are designed to survive a number of normal breakdowns and parts replacements. According to kitchenaid, the life expectancy of a kitchenaid stand mixer varies greatly, depending on details such as the number of persons using it, what it is being used for and many other factors.
It is a compromise between the artisan and the professional 600 stand mixers.
Item added to the compare list, you can find it at the end of this page. This is a very convenient option, especially if you do not live near an authorized service facility. View all accessories air filters kitchen accessories laundry accessories water supplies and filters maintenance kits ope. Please try a different email address. About 228 cal, 0 g pro, 41 g carb, 7 g fat, 0 mg chol, 98 mg sod. Flip control panel back to expose wiring. Adjust the bowl height so that the beater will not strike the bottom or side of the bowl when running. Product help site for kitchenaid appliances. Find stylish stand mixer accessories to help you do more in the kitchen. We also have installation guides, diagrams and manuals to help you along the way! En español live chat online. Remove the old grease from the gearbox and motor housing. There's a huge variety of attachments and accessories which help you to produce a vast amount of different food preparation results.
Refer to the diagrams of your model for the correct installation of the new part. Product help site for kitchenaid appliances. Major appliances limited to refrigerators, ranges, cooktops, wall ovens, microwaves, dishwashers, hoods, freezers, beverage & wine centers, ice makers and compactors. If your mixer won't spin, there are two main parts that may need to be replaced: Designed specifically for kitchenaid ® stand mixers, our line of accessories includes dough hooks as well as a broad assortment of stylish mixing bowls in glass, ceramic and.
8ll Severe Service Truck Manual Transmission Eaton from www.eaton.com Discover beautiful bowls and other essential kitchenaid ® stand mixer accessories that can help you get the most from your countertop appliance. Prowash™ and heavy duty cycles are recommended for tough soil. The worm gear or the planetary gear. Kitchenaid stand mixer motor & transmission below are kitchenaid stand mixer repair manuals in pdf. Never use an extension cord with your mixer. It is a compromise between the artisan and the professional 600 stand mixers. Flip control panel back to expose wiring. The diagram shows the complete coverage of the bowl made by the path of the beater.
The email address you entered already exists.
Please use this list as a guide for finding your model number. About 228 cal, 0 g pro, 41 g carb, 7 g fat, 0 mg chol, 98 mg sod. The diagram shows the complete coverage of the bowl made by the path of the beater. Product help site for kitchenaid appliances. To add to the good news, many kitchenaid mixer repairs can also be done right at home with simple tools, saving you money at the repair shop. En español live chat online. Tilt the front/sides piece over to expose lid switch. We also have installation guides, diagrams and manuals to help you along the way! From spiralisers and sausage stuffers, to mincers and ice cream bowls, there's really no end to the kitchenaid's versatility. Remove four rear housing screws. Remove the five gearbox screws. Find stylish stand mixer accessories to help you do more in the kitchen. Detach lid switch wiring harness from control panel.
Top Rated Rv Wifi Booster - Avm Fritz Repeater 1200 International Wifi Repeater Extender Ac N Dual Band 400 Mbit S Tot 2 4 Ghz En 866 Mbit S Bij 5 Ghz Mesh Access Point : We did not find results for: . We did not find results for: Top rated rv wifi booster. Maybe you would like to learn more about one of these? Check spelling or type a new query. We did not find results for: Check spelling or type a new query. Top rated rv wifi booster. Maybe you would like to learn more about one of these? Avm Fritz Repeater 1200 International Wifi Repeater Extender Ac N Dual Band 400 Mbit S Tot 2 4 Ghz En 866 Mbit S Bij 5 Ghz Mesh Access Point from Check spelling or type a new query. We did not find results for: Top rated rv wifi booster. Maybe you would like to learn more about one of these? Top rated rv wifi booster. Check spelling or ty...
Denison Yachts Marina Del Rey - Denison Yacht Sales Expands As Marine Industry Rebounds Chicago Tribune - If you're planning on purchasing a yacht, your licensed denison yacht sales broker pledges to take the time to help you. . Denison yachts marina del rey. Check spelling or type a new query. Yacht broker sales & yacht rentals worldwide Hours may change under current circumstances If you're planning on purchasing a yacht, your licensed denison yacht sales broker pledges to take the time to help you. We did not find results for: Yacht broker sales & yacht rentals worldwide Denison yachts marina del rey. Hours may change under current circumstances If you're planning on purchasing a yacht, your licensed denison yacht sales broker pledges to take the time to help you. Denison Yacht Sales Boten Te Koop Boten En Jachten Kopen En Verkopen from img.yachtall.com ...
Warne Scope Mounts Remington 700 / Help-Which scope rings and mount for a Remington VS .308 ... / Universal 30mm scope base mount for installation on model 700 rifles. . We have the best gun parts at the best prices you'll find online. The scope mounts are compatible with all types of remington 700. My rifle came with a high tech recoil pad attached, which. A year or two ago we had chatted a bit about barrels and scope rings, so i figured i'd pick his brain a bit regarding. We cover the best remington 700 scope mounts, bases and picatinny rails for both short action and long action models. Warne scope mounts mountain tech remington 700 short action rail 0 moa 7673m. Remington 700 scope mounts found in: We boast a huge selection of remigton 700 mounts and bases for you to choose from. Remington 700 long action mountain tech scope rail. Yep, it is a remington rifle, no new stories here. ...
Komentar
Posting Komentar